Принципиальные схемы видеокарт АМД Радеон HD5770/6770
Фильтрующие элементы по линиям питания +3.3, +12 вольт, размешаются непосредственно возле контактов PCI-E на плате видеокарты:

Распиновка контактов слота PCI-E (первая часть):

Распиновка контактов слота PCI-E (вторая часть):

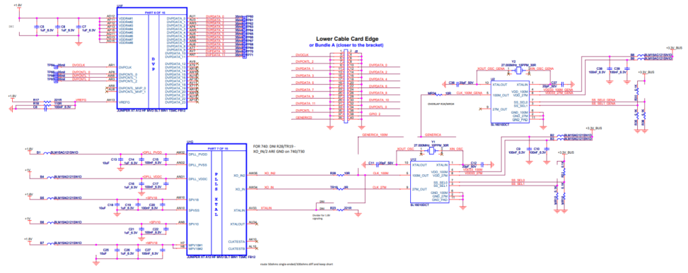
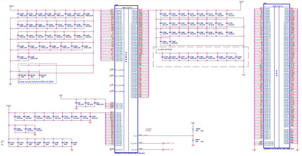
Интерфейс видеопамяти GDDR5 (первая часть):

Интерфейс видеопамяти GDDR5 (вторая часть):

Память GDDR5 x16 MEM канал A:

Конденсаторы MVDO по линии A:

Память GDDR5 x16 MEM канал B:

Конденсаторы по линиям MVDO линии B

CrossFire Card-Edge:


PIN BASED STRAPS:

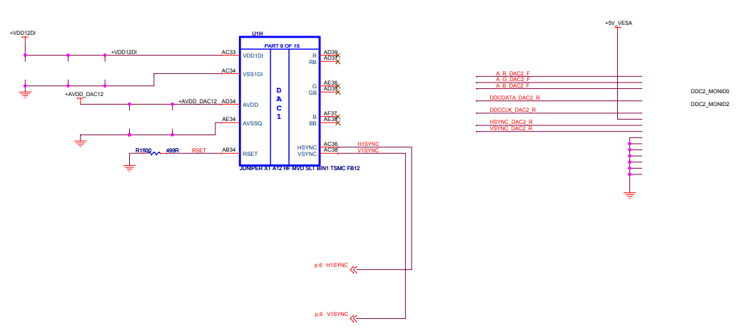
Цифроаналоговый преобразователь DAC1:

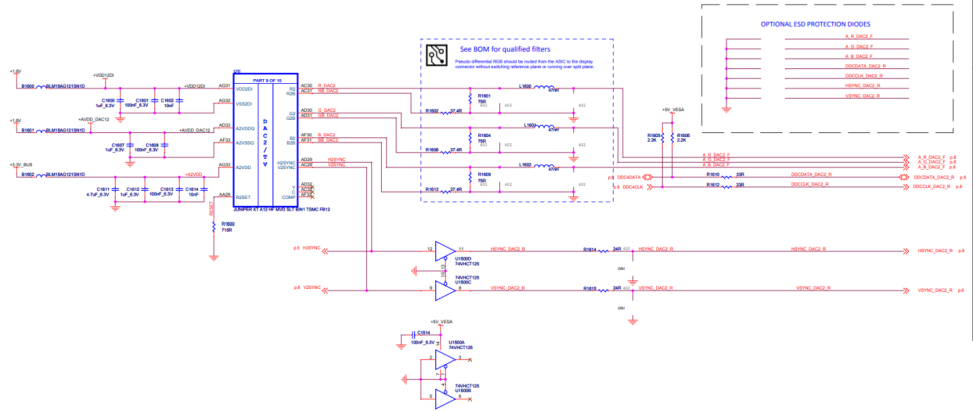
Цифроаналоговый преобразователь DAC2:

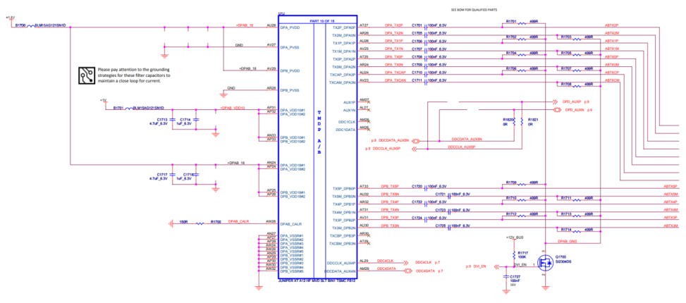
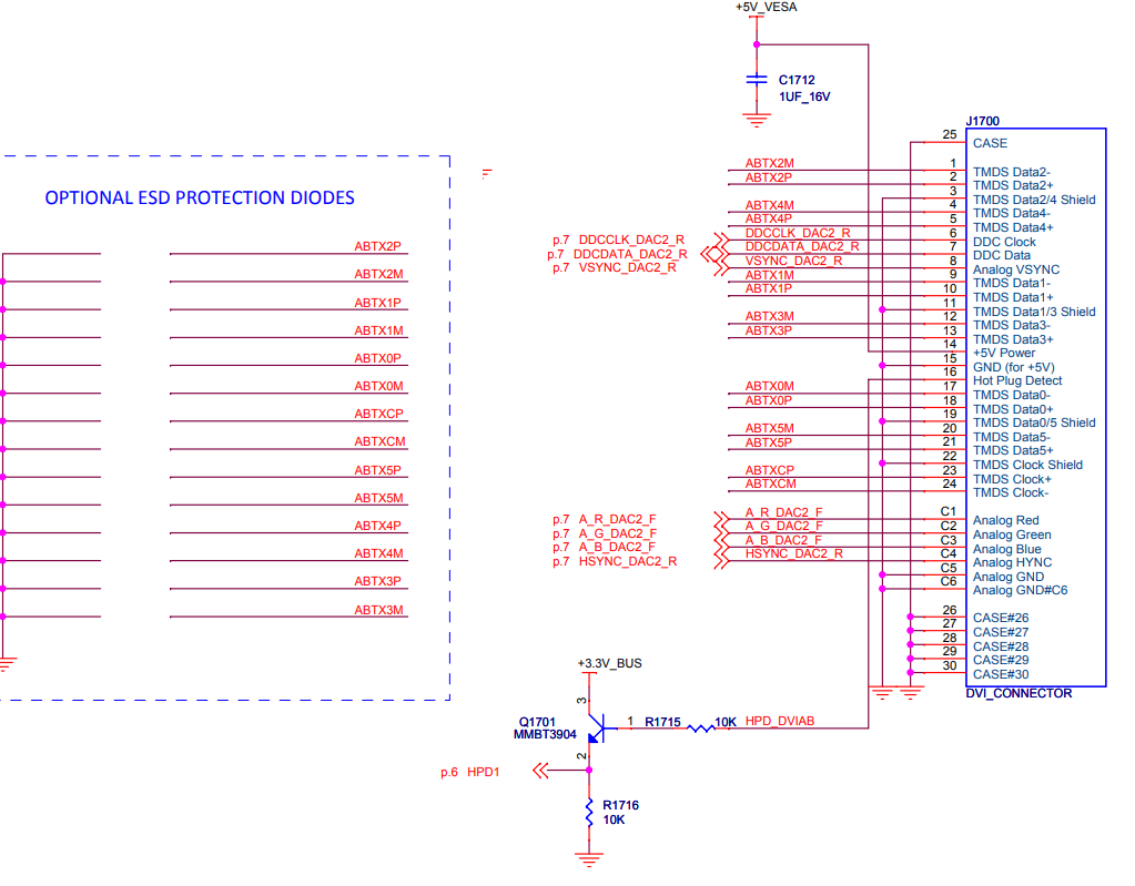
TMDP A&B dDVI-I TOP (первая часть):

Коннектор DVI (вторая часть):

Компоненты Display Port C & Display Port/HDMI D (первая часть):

Коннекторы Display Port C & Display Port/HDMI D (вторая часть):

Конвертер DisplayPort-to-DVI на микросхеме Analogix ANX9830:
Интерфейсы LVTMDP E&F:

Линии Power & GND:

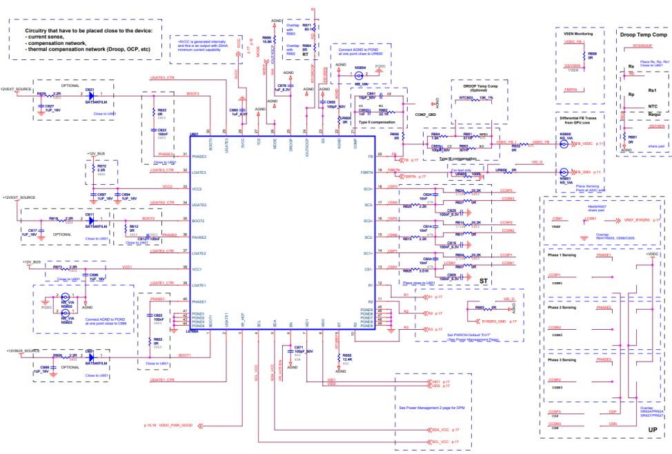
Питание первой фазы:

Питание второй фазы:

Питание третьей фазы:

Практическая реализация фаз питания на печатной плате видеокарты ASUS Radeon HD 6770:

Выходные электролитические конденсаторы (Output Bulk CAPs):

Таблица распределения напряжений по фазам:

Пример практической реализации фаз питания (три на чип и одна на память) с ШИМ-контроллером NCP5395T от компании ON Semiconductor (размещен на обратной стороне платы):

Питание чипа:


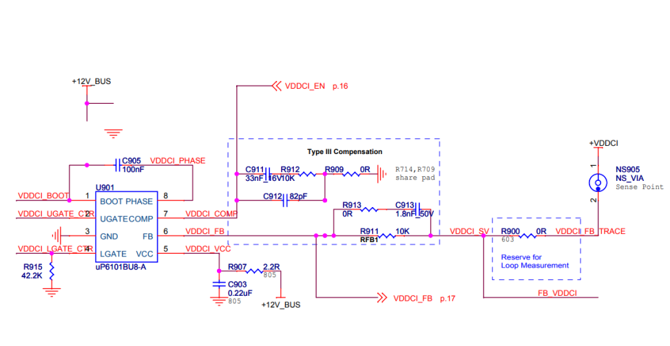
Цепь питания памяти VDDCI (I/O bus voltage):


Цепь питания памяти MVDDQ:


Контроллер U703 устанавливается так, чтобы LGate (pin4) был как можно ближе к затвору (gate) MOSFET-ов. Можно установить затворные резисторы R721 и R722 ближе к затвору MOSFET-ов. Проводящие дорожки к затворам (PW MVDDC LGD and PW MVDDC HGD) должны быть как можно более короткими и толстыми для уменьшения их сопротивления.
Прохолдящие конденсаторы линий Vcc и Boost-конденсаторы должны устанавливаться как можно ближе к контроллеру. Проходящий конденсатор Vcc это C703 (на 0,22 мкф), конденсатор Boost – это C705.
В цепи Voltage amplifier compensation network конденсатор C714 нужно монтировать как можно ближе к пину pin 7. Остальные компенсаторные элементы устанавливают поближе к пирнам 7 и 6 (это резисторы R710, R711, R713, C713 и R712, а также конденсаторы C711 and C712).

Первый линейный регулятор:

Второй линейный регулятор:

Цепь памяти VREF: Vout = 0.7xMVDDQ:

Цепи управления питанием (Power Gating):

Цепи управления питанием (продолжение):



Регулировка напряжения VDDC (GPU core voltage):

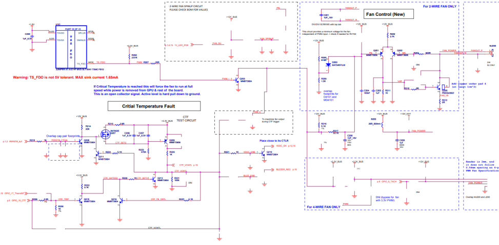
Управление температурой и скоростью вращения вентиляторов:


Прогресс во втором поколении Ryzen
Процессоры Ryzen 2-го поколения имеют кодовые имена, основанные на различных семействах Zen, таких как Pinnacle Ridge, Raven Ridge и Summit Ridge. Разные модели процессоров в каждом семействе имеют различные характеристики и функциональные возможности.
Линейка процессоров Ryzen 2-го поколения включает в себя различные модели, такие как Ryzen 3, Ryzen 4 и Ryzen 5. Каждая модель имеет свои уникальные характеристики и целевую аудиторию. Список всех процессоров Ryzen 2-го поколения можно найти на официальном сайте AMD или в соответствующей статье на Википедии.
Процессоры Ryzen 2-го поколения имеют ряд значительных преимуществ по сравнению с предыдущим поколением. Они обладают улучшенной архитектурой Zen+, которая обеспечивает более высокую производительность и эффективность. Кроме того, процессоры Ryzen 2 поддерживают технологию Precision Boost 2, которая автоматически повышает тактовую частоту процессора для оптимальной производительности.
Одним из ключевых улучшений, присутствующих в процессорах Ryzen 2-го поколения, является возможность работы с памятью DDR4-2933, в то время как первое поколение Ryzen поддерживает только DDR4-2666. Также второе поколение Ryzen обеспечивает улучшенную поддержку PCI Express 4.0, что делает процессоры Ryzen 2 более готовыми к использованию новейших технологий и устройств.
В целом, второе поколение процессоров Ryzen является значительным прогрессом по сравнению с первым поколением. Улучшенные характеристики и функциональные возможности делают процессоры Ryzen 2 лучше во многих аспектах. Они станут отличным выбором для пользователей, которым требуется производительный и надежный процессор для различных задач, будь то игры, мультимедиа или профессиональные приложения.
Что такое Ryzen 5?
Ryzen 5 — торговая марка линейки процессоров AMD среднего класса для настольных ПК, выпущенных в феврале 2017 года.. Чипы Ryzen 5 основаны на архитектуре Zen компании, разработанной для обеспечения высокой производительности с акцентом на энергоэффективность.
Линейка Ryzen 5 включает четырех-, шести- и восьмиядерные процессоры, предлагая широкий выбор вариантов для геймеров с ограниченным бюджетом и творческих профессионалов.
Чипы Ryzen 5 оснащены технологией AMD SenseMI, предназначенной для оптимизации производительности и энергопотребления. Кроме того, процессоры Ryzen 5 разблокированы для разгона, что позволяет пользователям достигать еще более высоких скоростей при правильном охлаждении.
Благодаря отличному сочетанию цены, производительности и возможностей процессоры Ryzen 5 представляют собой привлекательный вариант для сборщиков ПК, которые хотят получить максимальную отдачу от своей системы.
Третья лучшая материнская плата под Ryzen 5 2600: модель ASUS ROG Strix B450-F Gaming
Модель оснащена современными технологиями и функциями, которые позволяют повысить производительность компонента. Встроенные чипы обеспечивают отличную защиту от перегрузок и перегревов, а также оптимизируют потребление энергии.
ASUS ROG Strix B450-F Gaming имеет качественное охлаждение VRM и мощную питанию, что позволяет разгонять процессоры без проблем. Также материнская плата поддерживает различные виды хранения данных, включая M.2 и SATA порты, что делает ее максимально функциональной и гибкой.
Дизайн модели можно отметить высокой степенью качества и вниманием к деталям. Она имеет стильный и элегантный вид, который подойдет к любому компьютеру
Кроме того, материнская плата поддерживает подсветку Aura Sync, которая позволяет настроить ее под свой вкус.
ASUS ROG Strix B450-F Gaming — одна из лучших материнских плат, которая отлично подходит для работы с процессором Ryzen 5 2600. Она комбинирует в себе надежность, функциональность, качество и стильный дизайн, что делает ее привлекательным выбором для геймеров и энтузиастов.
Какую материнскую плату выбрать для Ryzen
При выборе материнской платы для процессоров Ryzen следует в первую очередь обратить внимание на такие характеристики:
Сокет — разъём для установки процессора. Все процессоры Ryzen, выпущенные на данный момент, используют сокет AM4. Естественно, что материнские платы с сокетами от Intel нам не подойдут.
Чипсет — набор микросхем для управления процессором, материнской платой и другими компонентами компьютера. Ryzen 2600 поддерживается как чипсетами первого поколения (A350, B350, X370) после перепрошивки BIOS, так и новыми, разработанными специально для этого поколения процессоров (A450, B450, X470) и имеющими несколько преимуществ перед устаревшими. В свою очередь, чипсеты одного и того же поколения тоже отличаются. Чипсеты серии А рассчитаны на бюджетну сборку, почти никакого разгона, чипсеты B — уже более мощные, поддерживающие разгон и большинство новых технологий
Чипсеты серии X — самые современные, лучше подходят для разгона и к тому же поддерживают установку нескольких видеокарт (технологии AMD Crossfire и Nvidia SLI).
Радиатор — используется для охлаждения компонентов материнской платы
Очень важно, чтобы плата имела хорошие радиаторы, особенно для выполнения разгона.
Количество цепей питания — если вы собрались разгонять процессор, стоит обратить внимание также и на количество цепей питания. Чем больше цепей питания, тем меньше тепловыделение и эффективнее разгон
Для шестиядерного Ryzen 2600x достаточно и четырёх цепей.
Форм-фактор — определяет размер материнской платы
Обычно используется форм-фактор ATX (305×244 мм). Однако если вы хотите собрать компьютер в компактном корпусе, то вам понадобятся платы формата Mini-ATX (244×244 мм) или micro-ITX (170×170 мм).
А теперь давайте рассмотрим перечень лучших материнских плат, которые вы можете использовать вместе с этими процессорами.
Лучшие материнские платы для Ryzen 5 2600 на B450
B450 — это платформа, которая считается отличным выбором для Ryzen процессоров второго поколения. Она предлагает поддержку PCIe 3.0, USB 3.1 и других передовых технологий.
Ниже перечислены несколько лучших материнских плат для Ryzen 5 2600 на платформе B450:
1. MSI B450 Tomahawk
Эта материнская плата от MSI предлагает отличную совместимость с Ryzen 5 2600 и имеет ряд полезных функций. Она оснащена шестью портами SATA, двумя разъемами M.2 и поддержкой памяти DDR4 до 3466 МГц. Кроме того, она имеет хорошую систему охлаждения и высокую надежность.
2. ASUS ROG Strix B450-F Gaming
Эта материнская плата от ASUS также является отличным выбором для Ryzen 5 2600. Она имеет качественный и эффективный дизайн, хорошую систему питания и обширные возможности разгонов. Она также поддерживает память DDR4 до 3200 МГц и имеет несколько разъемов M.2.
3. Gigabyte B450 Aorus Pro Wi-Fi
Эта материнская плата от Gigabyte предлагает широкий спектр возможностей и отличную совместимость с Ryzen 5 2600. Она имеет поддержку Wi-Fi и Bluetooth, разъемы M.2 и SATA, а также систему RGB-подсветки. Она также обладает хорошей системой охлаждения и удобными функциями разгонов.
В выборе материнской платы для Ryzen 5 2600 на B450 следует учитывать свои потребности и предпочтения. Указанные выше материнские платы предлагают отличную совместимость и набор функций, которые делают их лучшими вариантами для Ryzen 5 2600.
Оперативная память для Ryzen
Обновлено 16 мая 2019: Пока мы тут сосредоточились на “бидаях” от Самсунг кто-то поставил рекорд мира по частоте DDR4 в 5726 MHz на чипах Micron E-die (Ballistix Elite). Само собой разумеется, это является достижением для Micron E-die в мире, в котором традиционно доминируют чипы Samsung B-die, которые, кстати, более не актуальны.
Процессоры Ryzen второго поколения получили официальную поддержку DDR4-2933 SDRAM, тогда как у первого указано DDR4-2666. Частота работы внутренней шины процессоров Ryzen, Infinity Fabric, по-прежнему равна половине частоты работы оперативной памяти.

Синтетика такая синтетика. Тест Ryzen 7 2700
Чтобы сократить отставание Ryzen 7 2700 от Core i7-8700 в играх до 5-10%, потребуется оперативка, работающая на частоте 3200+. Причем, если выбор стоит между частотой выше 3200 и таймингами, то оптимизированные тайминги для игр добавят больше производительности, чем повышение частоты.
Для того чтобы уровнять Ryzen 7 2700X с i7-8700K, уже понадобится память 3466+. У меня это получилось на напряжении 1.4 В, но для постоянной эксплуатации я категорически настаиваю отказаться от этой идеи. И вообще, с памятью на штатной частоте DDR4-2933 эти процессоры не перестают быть классными.
Любой оверклокинг делается на свой страх и риск. Никто не может гарантировать результат. Ошибки разгона могут проявиться намного позже, через месяц-два. Все зависит от каждого конкретного экземпляра железа. Если вы новичок и не хотите сжечь или подвергнуть деградации память или процессор, при разгоне не ставьте напряжение более 1,35 В и не включайте режимы, которые могут динамически поднять напряжение.
Будет отлично, если заставите планки 2400 работать на частоте 3200. И тут успех сильно зависит от того, какую память вы купите.
Если можете заплатить за память на 50% больше, то возьмите уже разогнанные модули на отборных комплектующих и с радиаторами, например, G.Skill. И не забудьте свериться со списком поддерживаемых модулей на сайте производителя своей материнской платы.
Хорошо поддаются тюнингу одноранговые модули Samsung с чипами поколения B-Die. Посмотреть актуальные модели планок Samsung можно через Product Selector на их сайте. Нам понадобятся DDR4 UDIMM 1R (одноранговые), желательно с чипами B-Die. Чипы иных производителей и других (C-Die, E-Die…) поколений подлежат разгону, но результат оказывается хуже. Планки с чипами Hunix будут отставать на один шаг, а с Micron – на два (обновлено: Micron E-die отлично разгоняются).

Двухранговый тип памяти тоже затрудняет разгон. И оказалось, что на рынке пока нет одноранговых модулей объемом более 8GB. Да еще и процессоры Ryzen с двумя планками работают лучше, чем с четырьмя. Поэтому оставляем два слота пустыми и довольствуемся 16GB общего объема оперативной памяти. И напомню, 8GB для игр (PUBG, Gears of War 4, Titanfall 2, Star Wars: Battlefront, Battlefield 1, Dying Light, Forza Motorsport 6: Apex и т.д.) сейчас уже мало.
Предпочтительнее одноранговые модули на чипах B-Die от Samsung, но доступность и цены могут внести коррективы в сборку. Можно себя успокоить тем, что Samsung E-Die в двухранговом исполнении на платформе AMD показывают результаты лучше, чем на Intel.

Frequently Asked Questions
What chipset does Ryzen 5 2600 use?
X570, B550, A520, X470, B450, X370, B350, A320, and A300 all support the Ryzen 5 2600 AM4 socket. After upgrading the BIOS, it can easily run the Ryzen 5 2600. The performance of chipsets, however, varies, with X570 leading the benchmarks. ASUS ROG Strix X570-E Gaming takes the lead in performance with its high FPS delivered but at some power cost.
Do I need to update BIOS for Ryzen 5 2600?
Most of the motherboards in 2021 come with upgraded BIOS supporting AMD Ryzen 2000 series processors. However, it Is good to flash the BIOS without the CPU, similar to the MSI B450I Gaming Plus AC motherboard. For future processors, you can upgrade without the fear of bricking your motherboard during a power surge.
How good is a Ryzen 5 2600?
Ryzen 5 2600 is easily the budget king. It delivers one of the best prices to performance in its category. You don’t need an enthusiast-level processor when you can have a good enough gaming experience at high refresh rates with 1080p resolution. However, for a budget processor, a budget motherboard like the ASRock B450M Pro4 matches the processor’s capability perfectly.
Современные процессоры Ryzen и их основные характеристики
В современном мире процессоры Ryzen занимают одну из главных позиций в сфере вычислительных мощностей. Они предлагают широкий ассортимент моделей для различных потребностей пользователей и обладают множеством уникальных характеристик.
Процессоры Ryzen выпускаются компанией AMD, которая начала разработку данной линейки в 2012 году. Первые процессоры Ryzen были представлены на рынке в 2017 году и сразу же вызвали большой интерес со стороны пользователей.
Основными характеристиками процессоров Ryzen являются:
- Многопоточность: Все процессоры Ryzen поддерживают технологию Simultaneous Multithreading (SMT), которая позволяет создать два потока выполнения на каждом физическом ядре. Это позволяет значительно увеличить производительность при работе с многопоточными приложениями.
- Высокая частота работы: Процессоры Ryzen имеют высокий базовый тактовый частоту, а также поддерживают технологию Precision Boost, которая автоматически повышает частоту работы в зависимости от требований нагрузки.
- Большое количество ядер: Современные процессоры Ryzen предлагают различное количество ядер – от четырех до шестнадцати. Это позволяет обеспечивать высокую производительность и параллельную обработку данных.
- Усовершенствованная архитектура: Процессоры Ryzen базируются на архитектуре Zen, которая обладает высокой степенью оптимизации и улучшенной производительностью по сравнению с предыдущими поколениями процессоров AMD.
Современные процессоры Ryzen позволяют пользователю эффективно выполнять любые задачи – от игр и мультимедиа до сложных научных расчетов и программирования. Их превосходные характеристики и доступная цена делают их одними из самых популярных процессоров на рынке.
Первое поколение процессоров Ryzen

Первое поколение процессоров Ryzen, также известное как Zen или Zen 1, было выпущено компанией AMD в 2017 году. В эту линейку входили процессоры Ryzen 3, Ryzen 5 и Ryzen 7, основанные на архитектуре Zen.
Архитектура Zen была переосмыслена и разработана с нуля, чтобы предоставить более эффективные и производительные процессоры. Она предоставила значительное улучшение производительности по сравнению с предыдущими поколениями процессоров AMD.
Семейство процессоров Ryzen 1-го поколения включало несколько серий: Ryzen 3, Ryzen 5, Ryzen 7 и Ryzen Threadripper. Эти процессоры были разработаны для различных целевых аудиторий, от игровых энтузиастов до профессионалов в области контента.
Серия Ryzen 3 была нацелена на бюджетных пользователей и предлагала 4-ядерные процессоры с поддержкой 4-потоков параллельной обработки. Серия Ryzen 5 предлагала более высокую производительность с 6-ядерными и 8-ядерными процессорами и поддержкой 12 и 16 потоков соответственно.
Серия Ryzen 7 была наивысшей серией процессоров Ryzen 1-го поколения и предлагала процессоры с 8 ядрами и поддержкой 16 потоков для максимального производительности и мощности.
Общая особенность первого поколения процессоров Ryzen состояла в использовании оригинального семейства чипсетов AMD AM4. Это позволяло улучшить совместимость и обеспечить простую установку процессоров Ryzen на существующие материнские платы.
Преимущества первого поколения процессоров Ryzen
Первое поколение процессоров Ryzen представило ряд улучшений и новых функций:
- Улучшенная архитектура Zen, обеспечивающая высокую производительность и эффективность передачи данных.
- Повышенное количество ядер и потоков, обеспечивающие большую мощность обработки.
- Улучшенная поддержка памяти, включая поддержку высокочастотной оперативной памяти DDR4.
- Расширенный набор инструкций, включая поддержку новых технологий, таких как AVX2 и Precision Boost.
- Улучшенная интеграция с графическими процессорами, позволяющая более плавную и качественную работу в графических приложениях и играх.
Первое поколение процессоров Ryzen представляло прорыв в производительности и функциональности от AMD, позволяя конкурировать с процессорами Intel на рынке.
AMD Athlon APU и серия A
Мы продолжаем видеть самые основные серии или серии процессоров AMD для настольных компьютеров. В этом случае нет необходимости изучать номенклатуру, используемую для этих моделей, поскольку они будут идеально разделены на три подсемейства:
AMD Athlon с интегрированной графикой

У нас есть три 14-нм модели архитектуры Zen (Raven Ridge), которые имеют 2 ядра и 4 потока, а также 4 МБ кэш-памяти третьего уровня. Даже на этих более базовых процессорах производитель использует свою технологию SMT. Эти процессоры включают графику Radeon Vega 3 с 3 ядрами с частотой 1000 МГц и 192 шейдера внутри. Они также монтируются под разъем AM4, что делает их совместимыми со всеми платами с чипсетом AMD до X470.
Мы находим модели AMD Athlon 240GE, 220GE и 200GE. Все они с TDP 35 Вт и очень очень доступной ценой для большинства пользователей. Мы рекомендуем 240GE, поскольку он самый мощный и имеет цену, аналогичную предыдущей.
AMD Athlon без интегрированной графики
Здесь мы пойдем очень кратко, поскольку, по нашему мнению, в настоящее время они неуместны, имея в своем составе Ryzen и Athlon со встроенной графикой. Это базовые процессоры, которые развились из архитектуры Bulldozer с разъемом FM2 / FM2 + и 28-нм технологическим процессом.
В настоящее время мы находим модели Athlon X4 900, выпущенные в 2017 году и использующие 28-нм техпроцесс и архитектуру Excavator. Все они имеют 4 ядра и установлены на разъеме AM4, поэтому они будут совместимы с базовыми памятью DDR4. Эти процессоры ниже производительности 1-го поколения Ryzen 3, поэтому им практически нет места сегодня.
AMD Series A
AMD A Series являются еще более базовыми процессорами, чем предыдущий Athlon, и также не имеют технологии многопоточности. В этом случае у нас относительно широкий спектр процессоров от 2 до 4 ядер. Но нас интересует только серия A 9000 7-го поколения, поскольку они будут установлены на разъеме AM4, а серии A 7000 и A 6000 уменьшаются до разъема FM2 + и поддерживают память DDR3, уже несколько устаревшую.

Номенклатура, которую мы видим , аналогична той, которая используется в Ryzen, с основным отличительным признаком для обозначения количества ядер и кода из 4 цифр и буквы, чтобы дать подробную информацию о производительности и характеристиках продукта.
Прежде всего, у нас есть флаг Ax, который используется для подсчета ядра и версии интегрированной графики:
A6 и ниже: они показывают, что у нас только два ядра и Radeon R5 Series с 384 Sahders в лучшем случае на 800 МГц. A8 и выше: в этом случае у нас будут 4-ядерные процессоры с графикой Radeon R7 Series. Они начинаются с 384 шейдеров с частотой 900 МГц для A8-9600, до 512 шейдеров и 1108 МГц для A12-9800.
В предыдущих поколениях сохранялась одинаковая номенклатура, одинаковое распределение ядер и встроенная графика.
Первый кодовый номер представляет поколение процессора, и мы имеем следующее:
6000: 5-е поколение, архитектура Piledriver 7000: 6-е поколение, архитектура Steamroller 8000: 6-е поколение, архитектура Excavator 9000: 7-е поколение, архитектура Excavator V2
Со вторым номером мы снова обращаемся к рабочей частоте, а два числа следуют за номером модели. Опять же мы будем различать модели 00, 20, 50 и т. Д. В зависимости от их производительности.
Наконец, у нас есть последнее письмо, и его присутствие указывает на функцию его выполнения. В текущем поколении мы находим букву «E», только если APU составляет 35 Вт, или ее отсутствие, если она составляет 65 Вт. Но в предыдущих поколениях буква «К» также использовалась для обозначения того, что это был ВСУ с разблокированным множителем.
Рейтинг видеокарт
Ниже представлен рейтинг из видеокарт для мощных ноутбуков, основной задачей которых будет запуск игр.
- Nvidia GeForce GTX 1060. Данная модель станет отличным вариантом для игрового ноутбука. Чип создан по 16-нанометровому процессу, что ставит ее в один ряд с полноценными видеокартами для ПК. Поддерживает подключение четырех экранов, и может воспроизвести игры с разрешением 8K. Частота – 8 ГГц, объем памяти – 6 Гб. Шина – 192 бит. Поддерживает все современные драйверы, отлично справляется с FPS от 80 до 136 кадров. Оснащена 2мя вентиляторами охлаждения, которые настраиваются с помощью отдельной программы.
- Gigabyte Radeon RX 580. Модель по праву получает звание тихой и холодной. Подходит для тяжелых приложений и даже добыче криптовалют. Память – 8 гигабайт, шина — 256 бит, поддерживает все драйвера, имеет собственное приложение для настройки работы, есть возможность разгона, интеллектуальная система управления вентиляторами, поддержка 4 экранов и разрешения 8K.
- MSi GeForce GTX 1050 Ti. Модель можно отнести к классу бюджетных, так как она не рассчитана на сверхзадачи. Тихая работа, фирменная утилита для управления, объем памяти – 4 гигабайта, поддерживает игры в Full HD, частота процессора 1,3 ГГц.
ASUS ROG Strix X470-F Gaming
Это лучший выбор менее чем за 200 долларов. Поскольку эти два процессора стоят менее 200 долларов, я не рекомендую тратить более 200 долларов только на материнскую плату. Этого более чем достаточно для 6-ядерного процессора. Поскольку на материнской плате с набором микросхем X470 имеется широкий выбор от $ 100 до $ 200, было трудно выбрать несколько из них и порекомендовать их вам, но, тщательно проверив каждую функцию, я пришел к выводу, что лучшим из них является X470-F Gaming, поскольку он обладает превосходящей VRM по сравнению со всеми остальными платами, перечисленными здесь, и готов к сильному разгону.
Другая замечательная плата Asus X470-Pro немного дешевле этой, но я рекомендую именно этот вариант, потому что полевые МОП-транзисторы, используемые в этих платах VRM, более эффективны в регулировании напряжения и, следовательно, обеспечивают лучшую стабильность, когда вы поставляете больше напряжение на процессор
Это особенно важно, если вы хотите постоянную и непрерывную хорошую производительность без каких-либо падений. Эта плата также имеет некоторые серьезные обновляемые функции и 2 слота M.2, один из которых покрыт алюминиевым радиатором, а также слоты DIMM, которые могут поддерживать память, разогнанную до 3600 МГц
Она имеет подсветку RGB на крышке ввода/вывода и на южном мосту. Для охлаждения у него всего 7 заголовков вентиляторов и много заголовков RGB. Это лучший выбор для Ryzen 5 2600 / 2600X, а также для процессоров над ним
Эта плата также имеет некоторые серьезные обновляемые функции и 2 слота M.2, один из которых покрыт алюминиевым радиатором, а также слоты DIMM, которые могут поддерживать память, разогнанную до 3600 МГц. Она имеет подсветку RGB на крышке ввода/вывода и на южном мосту. Для охлаждения у него всего 7 заголовков вентиляторов и много заголовков RGB. Это лучший выбор для Ryzen 5 2600 / 2600X, а также для процессоров над ним.
- Разъем AM4 для процессоров AMD Ryzen
- Технология синхронизированного освещения RGB работает с широким ассортиментом ПК-совместимых устройств Aura Sync и включает поддержку адресуемых световых полос и Phillip Hue
- Встроенный радиатор M.2 обеспечивает охлаждение для диска M.2, обеспечивая стабильную производительность хранилища и повышенную надежность
- Возможность подключения к играм: Intel Gigabit Ethernet, LANGaurd, dual M.2, USB 3.1 Gen 2
- 5-полосная оптимизация: автоматическая настройка всей системы, обеспечивающая профили разгона и охлаждения, разработанные специально для вашей установки
- Игровое аудио: SupremeFX S1220A объединяется с Sonic Studio III для создания звукового ландшафта, позволяющего глубже погрузиться в действие.
- Gamer’s Guardian: предварительно смонтированный щит ввода / вывода, слот ASUS SafeSlot и премиальные компоненты для максимальной выносливости.
Вывод
Ryzen 5 2600/2600X имеют большой потенциал для обеспечения потрясающей производительности в игровых и продуктивных приложениях. Единственное, что мешает их производительности – это не разгоняемая материнская плата младшего класса, которая не только останавливает эти чипы на определенной частоте, но и перегревает. Чтобы этого не произошло, обязательна хорошая материнская плата на чипсете B450 или X470. Есть еще несколько хороших вариантов, доступных для этих двух чипов, но я перечислил только те, которые считаю лучшими.
GIGABYTE X470 AORUS ULTRA GAMING
Серия материнских плат Gigabyte Aorus очень популярна благодаря своему разнообразию и возможностям, которые она предлагает по той же цене, что и другие бренды. Материнские платы Aorus имеют уникальную эстетику и отлично подходят для разгона с ограниченным бюджетом. Aorus Ultra Gaming – единственная в своем роде, которую можно использовать для мягкого разгона даже 8-ядерного процессора, такого как Ryzen 2700X, который я использовал в одной из своих сборок.
Функции, которые она включает в себя, действительно удивительны, учитывая, что вы получаете как RGB освещение, так и большую поддержку для всех компонентов. На этой плате предусмотрено 2 разъема M.2, которые можно использовать для установки быстрых твердотельных накопителей NVME, а также 3 разъема PCI-Ex 16 для видеокарт, поддерживающих до 2-х сторонних процессоров AMD CrossfireX и 2-х сторонних Nvidia SLI. Хотя я не рекомендую выполнять настройку нескольких видеокарт на процессоре, таком как Ryzen 2600 / 2600X, но в случае, если вы обновитесь до чего-то вроде Ryzen 2700X, вы можете сделать это, если хотите повысить производительность.
Что касается важных функций, у нас есть 8 + 3 фазный VRM, который использует удвоители для большей стабильности. Они могут помочь вашему процессору долго работать на определенной тактовой частоте без перегрева, а большие радиаторы на них помогут процессору обеспечить вас стабильной производительностью. Материнская плата имеет световые эффекты RGB, которыми можно управлять с помощью Gigabyte App Center. Эта материнская плата также имеет порт USB 3.1 Type C, который очень полезен в наши дни в случаях, когда на передней панели имеется порт Type C 3.1.
- Поддержка AMD 3-го поколения Ryzen / 2-го поколения Ryzen / 1-го поколения Ryzen / 2-го поколения Ryzen с Radeon Vega Graphics / 1-го поколения Ryzen с Radeon Vega Graphics / Athlon с графическими процессорами Radeon Vega
- Двухканальный небуферизованный DDR4 без ECC, 4 модуля DIMM
- 8 + 3-фазный гибридный цифровой ШИМ-дизайн
- Поддержка двухсторонней графики CrossFire / SLI с Dual Armor и дизайном Ultra Durable
- ALC1220-VB Повышение SNR 114 дБ (сзади) / 110 дБ (спереди) в микрофоне с аудиоконденсаторами WIMA
- Двойной сверхбыстрый M.2 с NVMe PCIe X4 с одной тепловой защитой
- RGB FUSION 2.0 с многозонной светодиодной подсветкой, поддержка цифровых светодиодов и светодиодных лент RGB
- Intel Ethernet LAN с CFOs Speed Internet Accelerator
- USB DAC-UP 2 с регулируемым напряжением
- Дизайн резисторов против серы
- Ultra Durable 25 кВ ESD и защита от перенапряжения 15 кВ по локальной сети
- CEC 2019 Ready, экономия энергии простым нажатием
Четвертая лучшая материнская плата под Ryzen 5 2600: модель ASRock B450M Pro4
ASRock B450M Pro4 поддерживает процессоры Ryzen 5 2600 и обеспечивает отличную производительность в играх и приложениях. Она оснащена слотами DDR4 для оперативной памяти, которые поддерживают разгон до 3200 МГц, что позволяет значительно увеличить производительность системы.
Материнская плата также имеет слоты для подключения видеокарты, жесткого диска и SSD, а также разъемы USB 3.1, SATA и M.2 для подключения различных устройств хранения данных. Кроме того, ASRock B450M Pro4 поддерживает технологию AMD StoreMI, которая позволяет объединить SSD и HDD в одно логическое устройство для быстрого и эффективного хранения данных.
ASRock B450M Pro4 обладает высококачественными компонентами и хорошо продуманной конструкцией, которая обеспечивает надежную и стабильную работу системы. Материнская плата имеет компактный размер, что делает ее идеальным выбором для построения малогабаритного ПК.
В целом, ASRock B450M Pro4 является отличным вариантом материнской платы для Ryzen 5 2600. Она сочетает в себе высокую производительность, широкие возможности расширения и надежность, что делает ее привлекательным выбором для различных потребностей.
Новый чипсет и новый сокет AMD Ryzen 7000

AMD отказывается от сокета AM4, который использовался с момента выпуска процессоров Ryzen первого поколения, в процессорах следующего поколения. Это неудивительно, учитывая, что к моменту появления процессоров Ryzen следующего поколения сокету исполнится 5 лет.
Этот новый сокет будет использовать архитектуру LGA1718, Land Grid Array, с контактами ЦП, расположенными на материнской плате, а не на ЦП. На протяжении многих поколений Intel использовала разъемы LGA. Однако AMD использовала более старую архитектуру сокетов Pin Grid Array для всего, вплоть до Ryzen 5000.
Новый сокет
Эти новые сокеты AM5 станут частью материнских плат нового поколения серии 600. Материнские платы X670E Extreme будут оснащены модулями VRM высочайшего качества для улучшенного разгона. Кроме того, поддержка PCI-E 5 на каждом слоте M2 и PCI-E; Платы X670 будут обладать массовым потенциалом для разгона, а также PCI-E 5 в обоих первых слотах x16 PCI-Express. Кроме того, они будут поставляться как минимум с одним слотом M.2, тогда как материнские платы B650 по-прежнему будут иметь PCI-E 5 как минимум для одного слота M.2 и PCI-E 4.
Эти новые материнские платы будут поддерживать до 24 линий PCI-E 5, 14 портов USB со скоростью до 20 Гбит/с, Wi-Fi 6E и Bluetooth 5.2. Кроме того, материнские платы AMD 600 смогут поддерживать до четырех соединений HDMI 2.1 или DisplayPort 2 благодаря новой встроенной графике.
Несмотря на переход AMD на новый дизайн сокета, процессоры Ryzen 7000 сохранят тот же размер сокета и полностью будут поддерживать охлаждение AM4.
Вывод о покупке процессора AMD
В настоящее время многие энтузиасты и пользователи игр выбирают процессор AMD третьего поколения и, таким образом, обновляют свою платформу. Без сомнения, это новое поколение намного превзошло производительность самых популярных процессоров Intel для настольных ПК, таких как Core i9-9900K, и в 2019 году они становятся первоклассным вариантом. Многие новые функции, такие как архитектура на основе чипсетов, большая емкость на дорожках. PCIe, теперь 4.0, плюс количество до 16 ядер и 32 потоков.
Мы надеемся, что с этой статьей вы немного проясните, как обращаться с именами процессоров AMD. Таким образом, вы сможете лучше определить их с первого взгляда и, прежде всего, знать, когда использовать каждый из них и для какой цели они изготовлены.
Если у вас есть какие-либо вопросы или вы хотите внести свой вклад по этому вопросу, не стесняйтесь оставить нам комментарий. Это всегда помогает узнать больше и улучшить нашу работу.

 
            


























